逆变器作为光伏电站的核心,主要作用是把光伏组件不规则的直流电,转换为正弦波交流电,同时还有过压、过流保护、绝缘阻抗保护、漏电流保护、电网电压频率异常保护等功能。随着光伏组件价格下调和效率的提升,光伏平价上网的时间越来越近,光伏开始走近千家万户,人们还希望逆变器能在系统中发挥更重要的作用,使光伏系统更稳定,更安全,收效更高。古瑞瓦特公司顺应发展潮流,经过多年研究,开发了多项实用功能,如组串监测功能、组件防PID(Potential Induced Degradation)功能、直流拉弧检测功能、RSD(Rapid Shutdown)快速关断等,这些技术的应用,让光伏系统的安全可靠性得到进一步提高,延缓了组件的衰减,提高经济效率。
本篇重点介绍逆变器的组串监测功能,在光伏系统运行过程中,由于组件的质量,外部环境影响或者安装施工操作不当,会造成组件损伤,电路故障等问题。如果没有组串监测功能,有些小问题前期检测不到,最后造成大问题;有些问题需要专门人员去现场排查,时间长,发电量损失大。
1)组件裂片、组件划伤、热斑
在一定条件下,如果串联支路中有裂片、组件划伤、被遮蔽的太阳能电池组件,将被当作负载,被遮蔽的太阳电池组件此时会发热,这就是热斑效应。组件产生裂片、组件划伤、被遮蔽会导致该支路组串电流明显小于相同组件的其他未出现热斑的组件支路。
2)组串反接与组串短路
在实际施工过程中,由于施工队人员误操作而使同一路MPPT的某一串组件正极接入逆变器负极,组件负极接入逆变器正极而导致同一路MPPT中二串组件形成短路。组件反接会导致反接一路的电流为负,电压几乎为零。

3)组串失配
在由于面板差异,不同开路电压的面板通过保险丝并接在一起,或由面板衰减、阴影、热斑等原因引起导致组串电流大小不一致而造成发电量降低。组串失配会导致该组串电压电流明显小于其他组串。

4)部分支路保险熔断
在设备运行过程中由于某些特殊情况而导致支路电流过大,保险丝熔断。保险丝熔断会使该支路电压和电流检测为零。
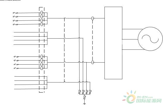
组串监控技术就是在逆变器组件输入端,安装电流传感器和电压检测装置,检测到每个组串的电压和电流值,通过分析每个组串的电压和电流,从而判断各组串运行情况是否明显正常,若有异常则及时显示告警代码,并精确定位异常组串。并能将故障记录上传至监控系统,便于运维人员及时发现故障。
组串监控技术虽然增加一点点成本,对于整个光伏系统仍然微不足道,但是起的作用却很大:
1)及时发现组件早期问题,组件裂片、组件划伤、热斑等问题,前期并不明显,,但通过检测相邻组串间电流和电压的差别,就可以分析组串是否有故障。及时处理,避免更大的损失。
2)当系统发生故障时,不需要专业人员现场检测,就能够快速判断故障类型,精确定位哪一路组串,运维人员及时解决,最大程度减少损失。
组串监测系统图如下:

深圳古瑞瓦特新能源股份有限公司成立于2010年5月,注册资本一亿元,是一家专业提供光伏逆变器、储能系统、家庭智能能源管理系统等新能源系统解决方案的国家高新技术企业。自成立至今,古瑞瓦特逆变器海外出口到欧、美、澳、亚、非、拉六大洲100多个国家及地区,获得全球客户的认可和青睐。古瑞瓦特始终保持着中国家用逆变器市场的领先地位,一直致力于做全球最大的用户侧智慧能源方案供应商。
切换行业






正在加载...

